练习题
收藏
单选题
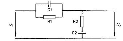
电路如图所示,它是()。
答案选项
A、
高通滤波器
B、
低通滤波器
C、
带通滤波器
D、
带阻滤波器
查看答案
下一道题
正确是:D
主页
通航圈
技术交流
航空资料
会员中心
0