练习题
收藏
单选题
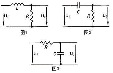
电路如图所示,当u1电压频率增加时,使u2电压减小。判断下面说法正确的是()。
答案选项
A、
图1、图2
B、
图1、图3
C、
图1、图2、图3
D、
图2、图3
查看答案
下一道题
正确是:B
主页
通航圈
技术交流
航空资料
会员中心
0