收藏
259 / 441
单选题
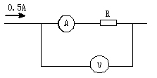
如图所示,用电流表和电压表测定未知电阻R,如电流表读数为0.5A,电压表读数为6V时,未知电阻R应为()。(电流表内阻为1.2Ω)
A、
5.4Ω
B、
12Ω
C、
10.8Ω
D、
14Ω
答案是:
解释:
上一道题
下一道题
主页
通航圈
技术交流
航空资料
会员中心
0