收藏
295 / 441
单选题
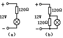
在图中的两个电路中,要在12V的电源上使6V/50mA的灯泡正常发光,应该采用电路()。
A、
图(a)
B、
图(b)
C、
图(a)和图(b)都可以
D、
图(a)和图(b)都不可以
答案是:A
解释:
上一道题
下一道题
主页
通航圈
技术交流
航空资料
会员中心
0